概要
今回はMicrochipの32bitマイコンシリーズのPIC32CZ CA80の開発ボードであるPIC32CZ CA80 Curiosity Ultra Development Boardついてご紹介します。
PIC32CZ CAの開発ボードは以下の3種類で、今回は「CA80」ボードをMicrochip Directから購入いたしました。
| CPU | Part Number | リンク | 参考価格(Microchip Direct@25/10/14現在) |
| PIC32CZ CA90 | EV16W43A | PIC32CZ CA90 Curiosity Ultra Development Board | Microchip Technology | ¥26,657 |
| PIC32CZ CA80 | EV51S73A | PIC32CZ CA80 Curiosity Ultra Development Board | Microchip Technology | ¥24,436 |
| PIC32CZ CA70 | EV56T44A | PIC32CZ CA70 Curiosity Ultra Development Board | Microchip Technology | ¥15,253 |
特徴
基本仕様
搭載MCU
- PIC32CZ8110CA80208-I/8MX
接続オプション
- Ethernet、CAN FD ×2、HS USB×2、I2S、I2C、SPIなど、幅広い接続オプション
統合デバッガ
- プログラマ/デバッガを統合しており、追加のハードウェアが不要
拡張性
- Arduino Uno R3、mikroBUS™ソケット、Xplained Pro互換の拡張ボードで機能拡張が可能グラフィックスコネクタ、X32オーディオ接続、Ethernetポート、ボタンとLED グラフィックスコネクタ、X32オーディオ接続、Ethernetポート、ボタンとLED
対応用途
拡張ボードを使用することで、Bluetoothオーディオ、IoT、ロボティクス開発、概念実証デザインなど、様々なアプリケーション開発が可能
産業用ゲートウェイ、グラフィックス、車載アプリケーションなどに最適
記事変更履歴
| 公開/ 変更日 | 特記 |
| 25/10/14 | 初版公開 |
関連リンク
内部リンク
| 記事 | リンク | |
| 第1回 | PIC32Cシリーズ① 概要 | PIC32Cシリーズに関して – ぴくおの電子工作的な何かWP |
| 第2回 | PIC32Cシリーズ② PIC32CZ CAシリーズ | PIC32Cシリーズ② PIC32CZ CAシリーズについて – ぴくおの電子工作的な何かWP |
| 第3回 | PIC32Cシリーズ③ PIC32CZ CA80 Curiosity Ultra Development Boardについて | PIC32Cシリーズ③ PIC32CZ CA80 Curiosity Ultra Development Boardについて – ぴくおの電子工作的な何かWP |
外部リンク
| PIC32CZ CA80 開発ボードサイト | PIC32CZ CA80 Curiosity Ultra Development Board | Microchip Technology |
| データーシート | PIC32CZ CA80/CA9x High Security (SG) Embedded Connectivity Family Data Sheet |
開発ボード外観
開発ボード外観を示します。

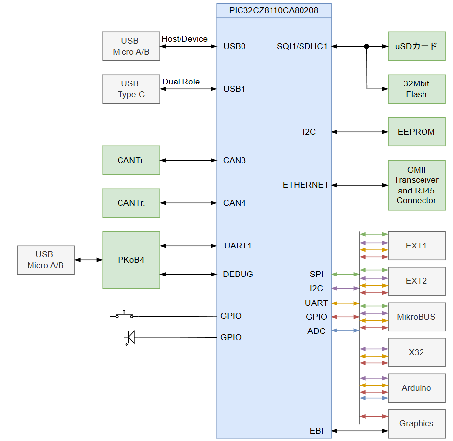
ブロック図
PIC32CZ CA80 Curiosityボードの概略ブロック図は以下のとおりです(細かな部分は省略しています)
uSDカードとFlashメモリは同一のピンにアサインされていますので、排他的使用(CS切り替え)となり、厳密な意味での同時使用はできません。

ピンアサイン
Curiocityボードのピンアサイン表を掲載します。
(内容に誤りがあったとしても、このファイルを参考にして生じた損害等については一切の責任を負いません。)
記事についての注意点
本記事は慎重に内容を検討し正確さに努めておりますが、内容に誤りがあったとしても、この記事を参考にして生じた損害等については一切の責任を負いません。

コメント